
CAMOZZI PNEUMATICS là nhà sản xuất linh kiện khí nén của Châu Âu có trụ sở chính tại Ý với việc sản xuất và lưu kho tại Hoa Kỳ. Camozzi sản xuất xi lanh khí nén theo hệ metric phù hợp với Tiêu chuẩn DIN / ISO. Điều này cho phép hoán đổi chiều trực tiếp với các xi lanh Châu Âu khác (Festo®, Bosch® và Mecman®).
Camozzi đã không ngừng nỗ lực cải thiện chất lượng của toàn bộ các loại xi lanh khí nén một chiều, hai chiều,..và các phụ kiện hệ metric và cũng như các dòng van và Bộ lọc-Điều chỉnh-Dầu bôi trơn.
- HPHONE : 0909790869
- EMAIL: tuong.nguyen@airvacuum.com.vn
Xy lanh khí nén là gì?
Tên tiếng anh là Pneumatic Cylinder
Xi lanh khí nén, còn được gọi là thiết bị truyền động khí nén, là sản phẩm được sử dụng để cung cấp chuyển động thẳng hoặc quay và lực cho các hệ thống, máy móc và quy trình tự động, ví dụ như trong các ứng dụng công nghiệp.
Xi lanh khí nén và thiết bị truyền động hoạt động khi không khí nén được ép vào xi lanh hoặc chính thiết bị truyền động để di chuyển một pít tông được đặt bên trong nó. ‘Công việc’ được thực hiện bởi một cơ chế gắn với piston, chuyển đổi năng lượng được tạo ra để sử dụng trong thực tế
Xi lanh khí nén ( CYLINDERS CAMOZZI)
Camozzi cung cấp nhiều loại xi lanh có đường kính từ 6 đến 20 mm và với hành trình từ 5 đến 3000 mm. Xi lanh được cung cấp dưới dạng tác động đơn hoặc tác động kép có hoặc không có thanh kép, từ tính hoặc không từ tính, với các thanh dẫn bên ngoài có sẵn trên một số kiểu máy. Phạm vi đa dạng của xi lanh Camozzi, cùng với nhiều tùy chọn lắp đặt, tốc độ cao và vật liệu chất lượng cao cho phép người dùng linh hoạt hơn trong việc đưa ra các giải pháp kỹ thuật.
Các loại xi lanh khí nén Camozzi
METRIC AIR CYLINDERS
● Xi lanh ISO và xi lanh tiêu chuẩn: loạt 16,23,24 và 25
● xi lanh nhỏ gọn: loạt QN, 31
● xi lanh inox (xi lanh thép không gỉ): series 90, 97
● xi lanh dẫn hướng: loạt QCT, QX
● xi lanh không tiêu chuẩn : loạt 14, 27
● Xi lanh dạng trụ xoay: loạt 69, 30
● xi lanh không thanh: loạt 50, 52

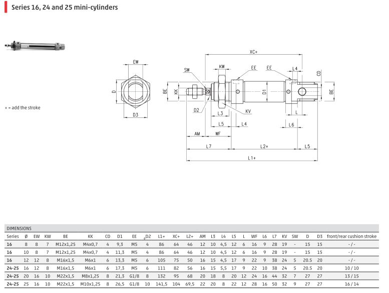
1. Xi lanh ISO và xi lanh tiêu chuẩn: loạt 16,23,24 và 25
Một số loại xi lanh khí nén được chứng nhận ISO có sẵn. Tiêu chuẩn ISO thường đề cập đến kích thước sản phẩm, bao gồm cả khi áp dụng giá đỡ hoặc các phụ kiện khác. Điều này có nghĩa là các xi lanh khí nén tiêu chuẩn ISO có thể hoán đổi cho nhau
Bản vẽ và thông số của xi lanh khí nén sereis 16,24,26
Tại sao nên chọn xi lanh khí nén tự động đệm?
Xi lanh khí nén Series 23 dựa trên khái niệm sáng tạo về đệm tự động và tuân thủ ISO 6432.
Xi lanh khí nén Series 23 ISO 6432 của Camozzi Automation với sự đổi mới của 'tự động đệm'.
- Hệ thống 'đệm tự động' hoạt động giống như đệm thông thường, ngoại trừ thay vì van kim, không khí được thoát ra ngoài bằng cách sử dụng các ống bọc định hình có một số lỗ được định vị chính xác với kích thước được thiết lập chính xác.
- Khi hệ thống thích ứng với sự kết hợp khác nhau của tốc độ và khối lượng tác dụng, đệm tự điều chỉnh
- Loại bỏ nhu cầu điều chỉnh cài đặt, xi lanh khí nén Series 23 cuối cùng là chống giả mạo, mang lại tuổi thọ lâu dài, không cần bảo dưỡng. Trong khi xi lanh được hưởng lợi từ chuyển động trơn tru, không rung lắc, việc giảm rung động và tiếng ồn cũng rất đáng chú ý.
Đệm đảm bảo độ tin cậy cao hơn và hiệu suất không đổi theo thời gian.
Nếu các thông số như ma sát và áp suất thay đổi, đệm tự điều chỉnh đảm bảo giảm tốc phù hợp mọi lúc. Giảm các lực gia tốc tác động lên các chi tiết và phôi, sự xuất hiện của hao mòn được giảm thiểu và giảm thiểu rung động theo thời gian.
Dòng 23 phù hợp để sử dụng trong nhiều ứng dụng công nghiệp, đặc biệt nếu các điều kiện làm việc khác nhau. Giảm thời gian lắp đặt và vận hành, hệ thống 'đệm tự động' cung cấp một giải pháp thay thế hiệu quả về chi phí cho các xi lanh có thể điều chỉnh bằng tay.
Ngoài ra, còn có dòng Xi lanh tiêu chuẩn như:
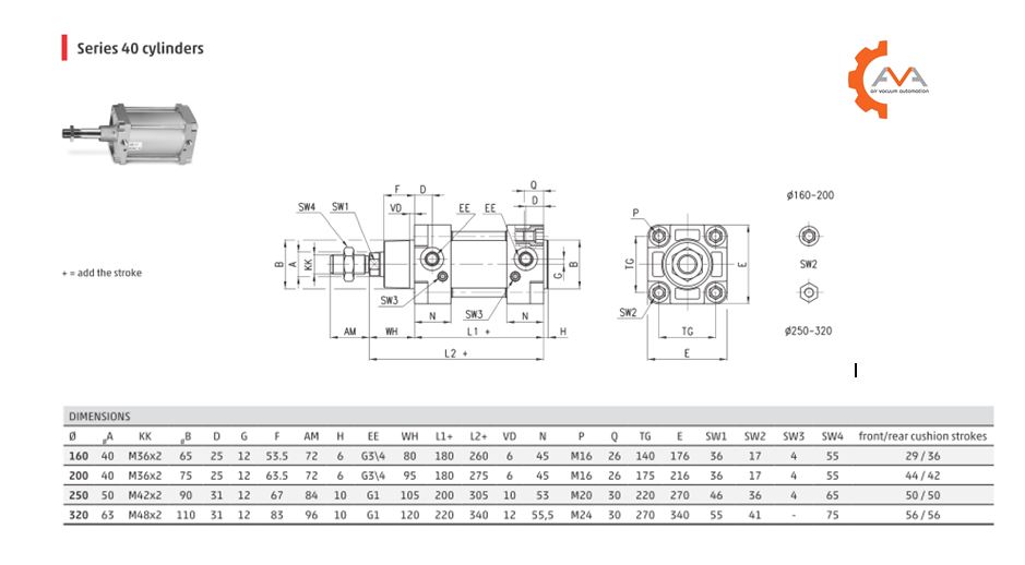
Series 40 Cylinders (ISO 15552, DIN/ ISO 6431, VDMA 24562)
Series 40 xi lanh đã được thiết kế theo tiêu chuẩn ISO 15552 và theo tiêu chuẩn DIN / ISO 6431 - VDMA 24562 trước đó. Một nam châm vĩnh cửu trên piston của các xi lanh này có thể gửi các tín hiệu điện thông qua các công tắc gần gắn trên trục trượt của xi lanh để chỉ ra vị trí của nó. Dòng này thường được trang bị đệm hành trình cuối có thể được điều chỉnh thông qua một vít trên khối cuối. Để làm dịu tác động của pít-tông lên khối cuối, các xi lanh khí nén vuông này cũng được trang bị đệm cơ khí.
Series 41 (DIN/ ISO 6431, VDMA 24562)
Series 61 Cylinders (DIN/ ISO 6432)
Series 63 Cylinders (ISO 15552, DIN/ ISO 6431, VDMA 24562)
2. Xi lanh nhỏ gọn: loạt QN, 31
Các xi lanh khí nén hành trình ngắn, nhỏ gọn dòng QN đã được thiết kế để có thể lắp đặt chúng trong những không gian rất nhỏ.
Series 31 Compact Magnetic Cylinders - Male and Female Rod
Hình ảnh: Cấu tạo xy lanh khí nén series 31
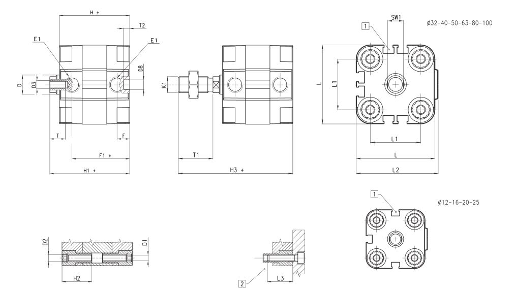
3. Xi lanh dẫn hướng: loạt QCT, QX
Xy lanh QCT và QCB Series của chúng tôi với các giải pháp tự động hóa công nghiệp.
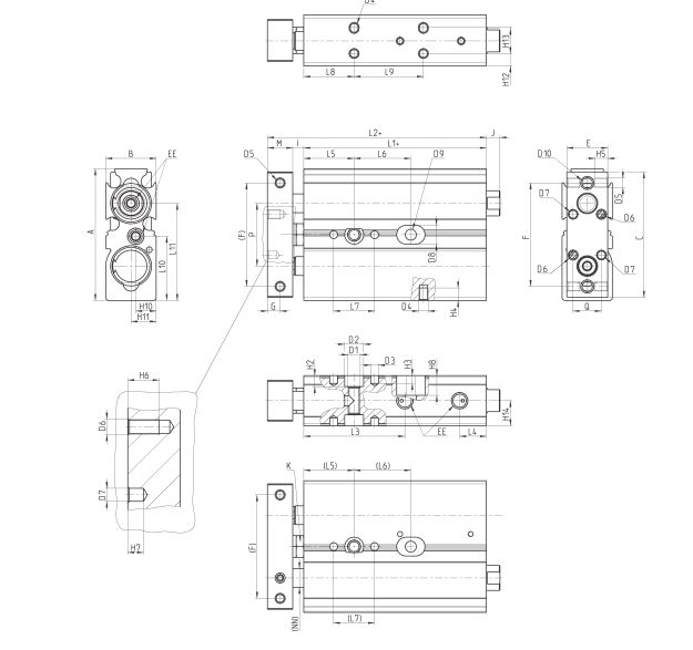
Xi lanh khí nén hai thanh dòng QX tác động kép, từ tính, dẫn hướng
Bộ truyền động Series QX cung cấp một loạt các giải pháp bao gồm một số lượng lớn các ứng dụng yêu cầu chuyển động tuyến tính có hướng dẫn. Thiết kế của piston kép, bên cạnh việc đảm bảo dẫn hướng vững chắc và hiệu quả, còn cung cấp lực gấp đôi với kích thước nhỏ gọn. Khi cần một lực cao với chuyển động chính xác, cùng với chức năng không quay và dẫn hướng tích hợp, xi lanh QX là giải pháp lý tưởng
Hình ảnh: Thông số xy lanh QCT
Hình ảnh: Bản vẽ xi lanh QX
4. Xi lanh không tiêu chuẩn hóa: loạt 14, 27
Series14 Xy lanh mini nhỏ gọn - Thanh piston không ren
Xy lanh mini khí nén nhỏ gọn Series 14 tác động đơn - Thanh piston không ren với cổng lắp siêu nhanh
14 xi lanh nhỏ gọn tác động đơn đã được thiết kế để lắp đặt trong không gian rất nhỏ. Thiết kế cho phép lắp các xi lanh vào các khối ren được tích hợp trong máy.
Series14 14 Xylanh nhỏ gọn - Thanh piston ren
5. Xi lanh có trụ xoay: Series 69, 30
Sê-ri có đệm từ tính 69 Bộ truyền động / xi lanh quay, có sẵn các phiên bản dành cho cái và đực. Góc quay: 90, 180, 270 và 360 độ.
Xylanh quay series 69 có sẵn trong 7 lỗ khoan khác nhau và có thể đáp ứng một loạt các yêu cầu vận hành.
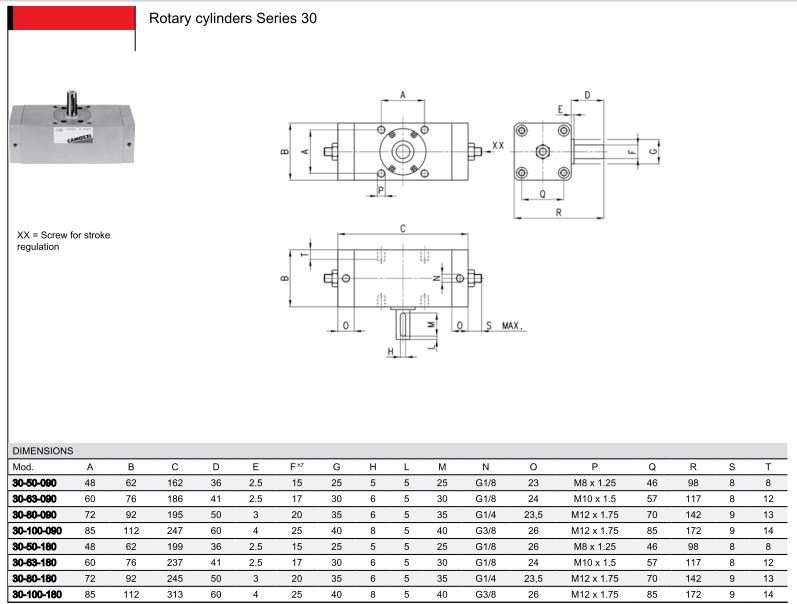
Thiết bị truyền động / xi lanh quay khí nén Series 30 được làm bằng nhôm định hình đặc biệt. Kích thước nhỏ gọn và đường nét sạch sẽ mang lại một vẻ ngoài thẩm mỹ tốt. Góc quay: 90 và 180 độ.
Thông số kỹ thuật xi lanh series 30
6. Xi lanh không trục: loạt 50, 52
Tác động kép, đệm từ tính Series 50 xi lanh khi nen không trục, bốn cổng trên mỗi buồng. Dịch vụ xi lanh trong ngày. Các xy lanh không tiêu chuẩn có sẵn theo yêu cầu.
Xi lanh không trục Series 50 có sẵn với 7 đường kính khác nhau để đáp ứng nhiều ứng dụng nhất có thể. Một nam châm vĩnh cửu được lắp ráp trên piston xi lanh cho phép phát hiện vị trí bằng các công tắc vị trí gần trục trượt. Loạt xi lanh này thường được cung cấp với đệm hành trình cuối, có thể được điều chỉnh bằng vít nằm trên nắp cuối.
Tác động kép, đệm từ tính Dòng 52 Xi lanh khí nén không trục
Xi lanh không trục Series 52 có 5 đường kính (25, 32, 40, 50 và 63 mm) và có ba phiên bản chính: Cơ bản (M), với ổ trượt (G) và với ổ lăn (R). Hơn nữa, ba phiên bản chính này đều có sẵn với dòng tiêu chuẩn hoặc dòng ngắn để bao gồm nhiều loại ứng dụng hơn.
Giá xi lanh khí nén
AVA là đơn vị phân phối chính hãng Camozzi ở Việt Nam. Chúng tôi cung cấp đa dạng các sản phẩm công nghiệp:
Xy lanh khí nén hai chiều (Cylinder), Van (Valve),Van điện từ (Solenoid Valve), bộ lọc (filter), Co khí (fittings), gripper, Đồng hồ áp (pressure gauge), cảm biến áp suất (pressure sensor), cảm biến lưu lượng (flow sensor), Ống khí (tubing), Chân không (Vacuum equipment), Van tiết lưu (speed controller)
AVA tự hào luôn được khách hàng tin tưởng. Hãy liên hệ với chúng tôi để được tư vấn hỗ trợ để nắm rõ hơn về sản phẩm và thông số kỹ thuật và lấy catalogue xi lanh khí nén Camozzi.
AVA là nhà phân phối chính hãng của Camozzi tại Việt Nam.
- PHONE : + 84 28 3620 4172
- HPHONE :0909790869
- EMAIL: tuong.nguyen@airvacuum.com.vn
N.Ng
- Cánh tay Robot Công Nghiệp - Giáo Dục | Dobot Arm(28/09/2021)
- AVA VIỆT NAM THAM GIA TRIỂN LÃM VIAF 2022(26/05/2022)
- MÁY THỔI KHÍ TURBO GIẢI PHÁP TIẾT KIỆM NĂNG LƯỢNG & CHI PHÍ CHO NHÀ MÁY (15/06/2023)
- MÀN HÌNH CẢM ỨNG HMI CỦA BEIJER ELECTRONICS(12/08/2023)
- MÁY PHÁT HIỆN RÒ RỈ CỦA PFEIFFER(18/08/2023)
- GIÁC HÚT CHÂN KHÔNG FLEXY(05/04/2024)
- DANFOSS VLT & VACON: Giải pháp tối ưu cho hệ thống điều khiển(20/04/2024)
- WORKSHOP: TẬN DỤNG TỐI ĐA TIỀM NĂNG CỦA NHÀ MÁY VỚI IX DEVELOPER(06/05/2024)
- KHÁM PHÁ ƯU ĐIỂM CỦA MÁY NÉN KHÍ GDK SERIES(11/07/2024)
- AVA THAM GIA VIETWATER 2024(19/10/2024)
- AVA KỶ NIỆM 5 NĂM THÀNH LẬP CÔNG TY(16/01/2025)
- HỘI THẢO CHUYÊN ĐỀ: TỰ ĐỘNG HÓA THÔNG MINH VÀ THIẾT BỊ TIẾT KIỆM NĂNG LƯỢNG CHO NHÀ MÁY(18/07/2025)
- Máy bơm chân không là gì? Nguyên lý hoạt động và những thương hiệu máy bơm chân không nên mua.(14/08/2020)
- Phần 1: NHẬN BIẾT CÁC DÒNG MÁY NÉN KHÍ(25/07/2021)
- TRANING VỀ SẢN PHẨM & CÁC ỨNG DỤNG CỦA THƯƠNG HIỆU DOBOT(05/06/2022)
- GA700 – Máy biến tần AC cho ứng dụng công nghiệp(07/07/2022)
- MÁY BƠM CHÂN KHÔNG TRỤC VÍT MD-KINNEY(24/07/2022)
- Dòng SVT - Bơm trục vít vòng dầu - Sự lựa chọn hiệu quả và tin cậy trong ứng dụng chân không trung tâm(15/06/2023)
- TÌM HIỂU CÔNG NGHỆ Ổ ĐỠ ĐIỆN TỪ VÀ Ổ ĐỠ KHÍ TRÊN MÁY THỔI TURBO(27/01/2024)
- IQ-HS: MÁY THỔI LY TÂM TỐC ĐỘ CAO SỬ DỤNG CÔNG NGHỆ VÒNG BI TỪ TÍNH CỦA GARDNER DENVER(14/06/2024)
- WebIQ của Beijer – Giải pháp HMI/SCADA hiện đại, linh hoạt và 100% web-based(04/04/2025)
- Lý Do Bạn Nên Chọn Màn Hình HMI Của Beijer Electronics Cho Hệ Thống Tự Động Hóa(30/05/2025)
- Giải pháp IIoT hàng hải của Beijer Electronics – Ứng dụng công nghệ tiên tiến cho ngành hàng hải(07/06/2025)
- Industrial Data Communication(21/06/2025)
- AVA, Beijer Electronics & HCM-UTE trao đổi định hướng hợp tác(28/04/2026)






SMS
Chỉ đường