1. Trang chủ
  2. Tin tức & sự kiện
  3. Xy lanh khí nén Camozzi với hơi đệm tự động series 23
10.797222346,106.677222250

Xy lanh khí nén Camozzi với hơi đệm tự động series 23

Xy lanh khí nén Camozzi với hơi đệm tự động series 23
14/12/2020 - 05:12:44 PM | 2099

Sản phẩm xilanh khí nén Camozzi với hơi đệm tự động series 23 mới được sản xuất dựa trên những cái tiến mới về ' hơi đệm tự động' và tuân thủ tiêu chuẩn ISO 6432. Xylanh tự động điều chỉnh hơi đệm để giảm tốc tối ưu trong mọi điều kiện.

Trong toàn bộ giai đoạn đệm, xilanh được chuyển động êm ái, không va đập, giảm rung động và tiếng ồn, đồng thời đảm bảo độ tin cậy cao hơn và hiệu suất không đổi theo thời gian.

Vì không cần điều chỉnh thủ công, thời gian chạy thử giảm. Các xi lanh thích hợp để sử dụng trong nhiều ứng dụng công nghiệp, đặc biệt là khi các điều kiện làm việc thay đổi theo thời gian, do sự thay đổi về kích thước hoặc do mài mòn từ thiết bị máy khác.

 

✅ pneumatic cylinder là tên tiếng anh của xy lanh khí nén

--> Tham khảo danh mục các sản phẩm Camozzi tại Đây

 

1. Hệ thống hơi đệm tự động của xy lanh khí nén

 

Hệ thống “ hơi đệm tự động” dựa trên việc sử dụng các ống bọc định hình có một số lỗ được định vị chính xác và định kích thước chính xác để cho phép hệ thống thích ứng với các kết hợp khác nhau của tốc độ và khối lượng áp dụng.

 

 

Hệ thống hơi đệm tự động xy lanh khí nén

Hình 1: Hệ thống hơi đệm tự động

 

  1. Những ưu điểm
  • Giảm thời gian vận hành chạy thử
  • Giảm rung và tiếng ồn
  • Hiệu suất không đổi theo thời gian
  • Tránh làm giả, làm nhái sản phẩm
  •  

2. Nguyên tắc hoạt động của xilanh khí nén Camozzi với hơi đệm tự động series 23

Trong giai đoạn chuyển động tự do, không khí chứa trong buồng (A) đi qua vòng đệm (B) và thoát ra ngoài qua cửa ra (C).

 

 

2. Nguyên tắc hoạt động của xilanh khí nén Camozzi

 

Khi ống bọc (D) chạm tới vòng đệm (B), không khí có trong buồng (A) buộc phải đi qua các lỗ (E) trong ống bọc, gây ra hiện tượng bắt đầu giảm tốc độ.

 

 

2. Nguyên tắc hoạt động của xilanh khí nén Camozzi

 

   Khi piston (F) di chuyển, các lỗ (E) lần lượt đóng lại gây ra sự giảm lưu lượng không khí từ buồng (A) về phía cửa ra (C), tạo ra sự giảm tốc dần dần và êm ái.

 

2. Nguyên tắc hoạt động của xilanh khí nén Camozzi

Chuyển động dừng lại khi đạt đến vị trí hành trình cuối và piston (F) chạm vào nắp cuối (G). Sự có mặt của một van điều tiết (H) hấp thụ tất cả các lực còn lại và giảm thiểu tác động để không có rung động hoặc tiếng ồn.

 

2. Nguyên tắc hoạt động của xilanh khí nén Camozzi

 

Vị trí và kích thước của các lỗ đã được tính toán để:

 

  • Tối ưu hóa khả năng đệm của xi lanh.
  • Loại bỏ hoàn toàn các cú giật piston.
  • Giảm rung động.
  • Vị trí hành trình cuối với lực dư tối thiểu.

 

 

3. Thông tin kỹ thuật chung

 

  • Kiểu cấu trúc: Ống uốn tròn.
  • Thiết kế: ISO 6432.
  • Hoạt động: Đệm tự động tác động kép.
  • Vật liệu: đầu nhôm anodized - nắp - thanh và ống thép không gỉ.
  • Hành trình tối thiểu - tối đa: ø 16: 10 - 600 mm; ø 20 - ø 25: 10 - 1000 mm.
  • Nhiệt độ hoạt động: 0 ° C ÷ 80 ° C (với không khí khô -20 ° C).
  • Áp suất hoạt động: 1 ÷ 10 bar (tác động kép).
  • Chất lỏng: Khí được lọc ở cấp 7.8.4, theo ISO 8573-1. Nếu sử dụng khí bôi trơn, nên sử dụng dầu ISOVG32.
  • Sử dụng với cảm biến bên ngoài: Kiểu cảm biến CSH và CST với thiết bị tiếp hợp dòng S-CST.
  • Tốc độ: 10 ÷ 1000 mm / giây (không tải).

 

 

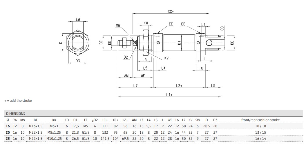
  1. Xilanh nhỏ Series 23

Xilanh nhỏ Series 23

 

 

 

 

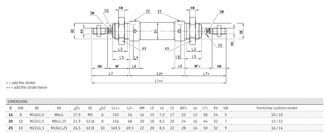
  1. Xilanh nhỏ Series 23 - với thanh xuyên

Xilanh nhỏ Series 23 - với thanh xuyên

 

 

 

 

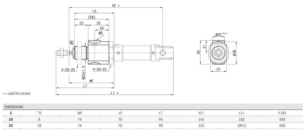
  1. Xi lanh nhỏ Series 23 - với khóa thanh (Mod. RLC)

 

	Xilanh nhỏ Series 23 - với thanh xuyên

 

✅Liên hệ với AVA chúng tôi để được tư vấn, hỗ trợ mua hàng chính hãng với giá tốt nhất. 

PHONE : + 84 28 3620 4172

HOTLINE : 0909790869

EMAIL: tuong.nguyen@airvacuum.com.vn

WEBSITE: airvacuum.com.vn

 

Bài viết liên quan

✅AVA cung cấp các dòng xi lanh khí nén, xy lanh khí nén camozzi là một thương hiệu nổi tiếng. Cùng tìm hiểu các thông số kỹ thuật của xy lanh khí nén Camozzi,Hệ thống hơi đệm tự động của xy lanh khí nén và✅ nguyên tắc hoạt động của xy lanh khí nén.Series 23 - với khóa thanh (Mod. RLC)

xy lanh khí nén, xi lanh khí nén,xi lanh khí nén 2 đầu xi lanh khí nén camozzi, thông số kỹ thuật xi lanh khí nén, xi lanh khi nen

Zalo
Zalo
Zalo
Gọi điện SMS Chỉ đường
Hotline: 0909 790 869